Przejdź do głównej treści
Zamknij wyszukiwarkę Wyczyść Szukaj
Produkty w koszyku: 0. Zobacz szczegóły

Twój koszyk jest pusty

Producent: DOMAX (przejdź do produktów)

KĄTOWNIK KOTWOWY ŁĄCZNIK CIESIELSKI 40x300x40 20sz

Przejdź do sekcji Opinie
z VAT bez VAT
Cena 77,00 zł
w tym 23% VAT

Ceny podane bez kosztów dostawy.

szt.
Dostępność:
duża ilość

Opis

KK2 KĄTOWNIK KOTWOWY ŁĄCZNIK CIESIELSKI 300x40x40 20 szt.

Kątowniki kotwowe przeznaczone są do kotwienia drewna w betonie. Służą do mocowania słupów, belek podwalinowych, murłaty.

Dolna część zatapiana jest w betonie, natomiast do części wystającej   przytwierdzane są drewniane belki.

.

Stosowany  głównie w budownictwie i konstrukcjach stalowych, gdzie wymagana jest duża nośność i wytrzymałość konstrukcji.

Wykorzystywany do łączenia elementów konstrukcyjnych w celu tworzenia ram nośnych, na przykład w hali produkcyjnej, magazynie czy hali sportowej.

Stosowany jako element w połączeniach ciesielskich, do łączenia drewnianych elementów konstrukcyjnych w budownictwie drewnianym.

Podstawowe dane produktu:

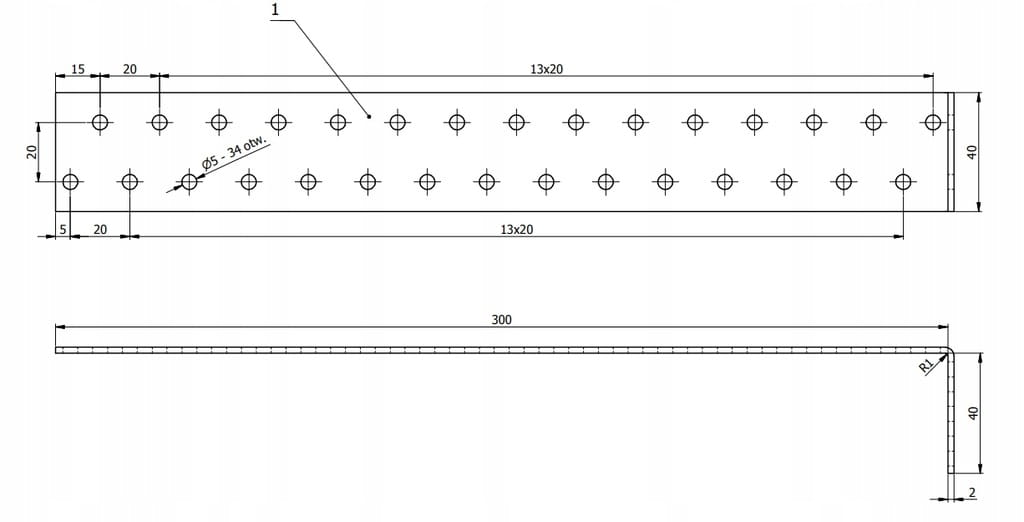
  • wysokość - 300 mm
  • szerokość - 40 mm
  • długość podstawy - 40 mm
  • grubość blachy - 2 mm
  • materiał - DX51D + Z275
  • ochrona antykorozyjna - ocynk
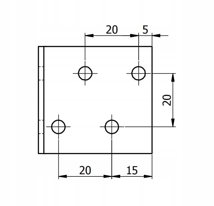
  • ilość otworów - 34 otworów ø5 mm
  • nośność -  11,52 kN

RYSUNEK TECHNICZNY

ZASTOSOWANIE

Oryginalny produkty renomowanej firmy Domax®

Kątownik montażowy to narzędzie służące do łączenia dwóch elementów w kształcie kąta prostego podczas montażu. Jest on najczęściej używany w pracach budowlanych i remontowych do montażu profili, płyt, rur, kanałów oraz innych elementów, które wymagają połączenia w kształcie kąta prostego.

Cena  dotyczy 20 sztuk kątowników

CERTYFIKATY

  • Europejska Aprobata Techniczna
  • Deklaracja Właściwości Użytkowych
  • Certyfikat Zgodności Zakładowej Kontroli Produkcji

Bezpieczeństwo produktu

Producent

Domax Sp.zo.o.

al. Parku Krajobrazowego 109, Łężyce

84-207 Koleczkowo, Polska

supply@domax.com

Opinie

Liczba ocen: 0
Oceń i opisz

Polecane produkty