Przejdź do głównej treści
Zamknij wyszukiwarkę Wyczyść Szukaj
Produkty w koszyku: 0. Zobacz szczegóły

Twój koszyk jest pusty

Producent: DOMAX (przejdź do produktów)

KĄTOWNIK KOTWOWY ŁĄCZNIK CIESIELSKI 40x400x40 20sz

Przejdź do sekcji Opinie
z VAT bez VAT
Cena 88,00 zł
w tym 23% VAT

Ceny podane bez kosztów dostawy.

szt.
Dostępność:
duża ilość

Opis

KK3 KĄTOWNIK KOTWOWY ŁĄCZNIK CIESIELSKI 400x40x40 20 szt.

Kątowniki kotwowe przeznaczone są do kotwienia drewna w betonie. Służą do mocowania słupów, belek podwalinowych, murłaty.

Dolna część zatapiana jest w betonie, natomiast do części wystającej przytwierdzane są drewniane belki.

.

ZASTOSOWANIE

Stosowany  głównie w budownictwie i konstrukcjach stalowych, gdzie wymagana jest duża nośność i wytrzymałość konstrukcji.

Wykorzystywany do łączenia elementów konstrukcyjnych w celu tworzenia ram nośnych, na przykład w hali produkcyjnej, magazynie czy hali sportowej.

Stosowany jako element w połączeniach ciesielskich, do łączenia drewnianych elementów konstrukcyjnych w budownictwie drewnianym.

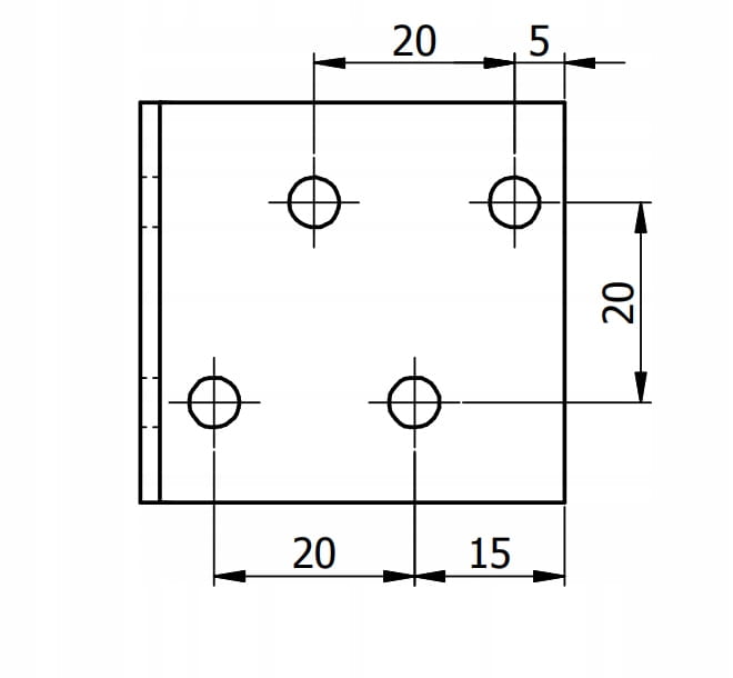
⬇️ Podstawowe dane produktu:

  • wysokość - 400 mm
  • szerokość - 40 mm
  • długość podstawy - 40 mm
  • grubość blachy - 2 mm
  • materiał - DX51D + Z275
  • ochrona antykorozyjna - ocynk
  • ilość otworów - 44 otworów ø5 mm
  • nośność -  14,26 kN

RYSUNEK TECHNICZNY

Oryginalny produkty renomowanej firmy Domax®

Kątownik montażowy to narzędzie służące do łączenia dwóch elementów w kształcie kąta prostego podczas montażu. Jest on najczęściej używany w pracach budowlanych i remontowych do montażu profili, płyt, rur, kanałów oraz innych elementów, które wymagają połączenia w kształcie kąta prostego.

Cena dotyczy 20 szt. kątownika kk3.

CERTYFIKATY

  • Europejska Aprobata Techniczna
  • Deklaracja Właściwości Użytkowych
  • Certyfikat Zgodności Zakładowej Kontroli Produkcji

Bezpieczeństwo produktu

Producent

Domax Sp.zo.o.

al. Parku Krajobrazowego 109, Łężyce

84-207 Koleczkowo, Polska

supply@domax.com

Opinie

Liczba ocen: 0
Oceń i opisz

Polecane produkty