Przejdź do głównej treści
Zamknij wyszukiwarkę Wyczyść Szukaj
Produkty w koszyku: 0. Zobacz szczegóły

Twój koszyk jest pusty

Producent: DOMAX (przejdź do produktów)

Kątownik montażowy łącznik ciesielski KMP2 40x60x40 10 szt Domax

Przejdź do sekcji Opinie
z VAT bez VAT
Cena 12,00 zł
w tym 23% VAT

Ceny podane bez kosztów dostawy.

szt.
Dostępność:
duża ilość
Czas wysyłki: 24 godziny

Opis

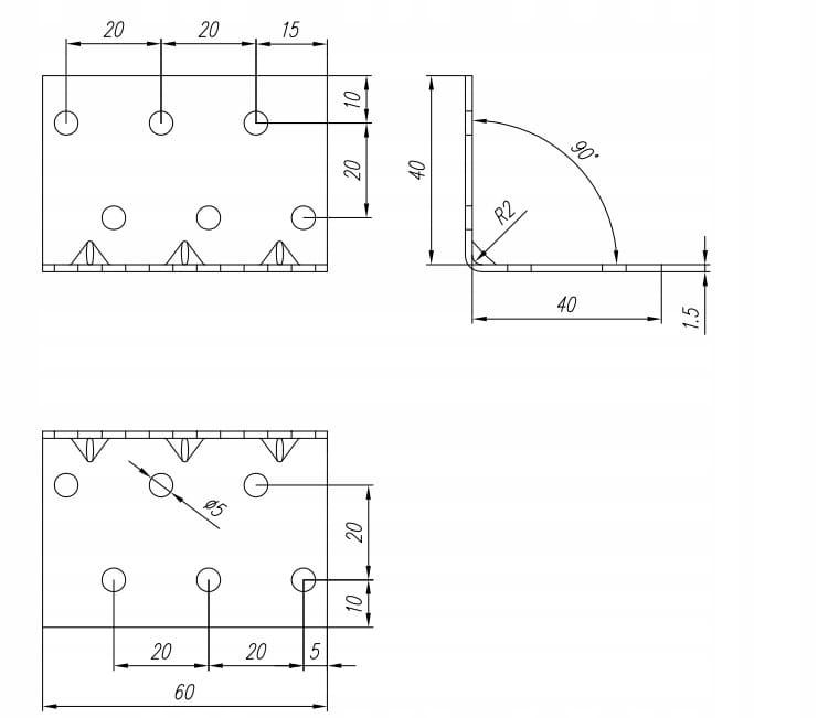
Kątownik montażowy z przetłoczeniami KMP2 40x60x40x1,5mm 10 szt.

Łączniki ciesielskiePrzydatne podczas budowania konstrukcji drewnianych takich jak :

✓ altany

✓ wiaty

✓ drewtutnie

✓ domki dla dzieci itp.

✓Aukcja dotyczy zakupu 10 szt. kątownika KMP2

Odpowiednio przemyślane przetłoczenia zwiększają ich wytrzymałość na zginanie, dzięki czemu wykonane zostały z cieńszego materiału, zachowując jednocześnie zbliżone parametry wytrzymałościowe.

Bogata oferta złącz i mocowań ciesielskich dostępna na pozostałych naszych aukcjach !!!

Podstawowe dane techniczne produktu:

Długość: 40 mm

Szerokość: 60 mm

Wysokość: 40 mm

Grubość: 1,5 mm

ilość otworów montażowych: ⌀ 5 x 12 szt

Materiał: DX51D + Z275.

Ochrona antykorozyjna: ZN

Rysunek techniczny

Standardowe kątowniki z uniwersalną perforacją

Duża liczba umieszczonych w nich otworów umożliwia realizację wielu zarówno prostych, jak i skomplikowanych połączeń.

Odpowiednio zaprojektowane przetłoczenia zwiększają wytrzymałość na zginanie, co pozwala na zastosowanie cieńszego materiału kątownika przy zachowaniu zbliżonych parametrów wytrzymałościowych.

Mocowanie Gwoździe pierścieniowe ANCHOR ø4; ANW – wkręty ANCHOR ø5 gniazdo

Torx20

Bezpieczeństwo produktu

Producent

Domax Sp.zo.o.

al. Parku Krajobrazowego 109, Łężyce

84-207 Koleczkowo, Polska

supply@domax.com

Opinie

Liczba ocen: 0
Oceń i opisz

Polecane produkty